소형 SCREW
소형 SCREW는 핸드폰이나 PDA 같은 MOBILE 제품에 주로 사용되므로, 정밀도 뿐 아니라 체결력 또한 중요한 요소입니다.
특히 최근의 SLIM화 경향에 따라 소형SCREW의 길이는 점점 짧아지고 있습니다. 길이가 짧아지면, 체결력이 약해지므로 풀림이나 나사산의 뭉개짐 현상 등 많은 문제를 야기합니다. 저희 ASIABOLT VINA CO.,LTD.는 소형 SCREW 분야의 오랜 경험을 통해 모든 문제를 해결해 드립니다.
냄비 머리 작은 나사
단위 : mms
종류 (HEAD) | 나사의 호칭 | 피치 P | D | H | M | Q | da | F | G | |||
기준치수 | 허용차 | 기준치수 | 허용차 | 참고 | 최대 | 최소 | 최대 | 최대 | 최대 | |||
1종 | M1.4 | 0.3 | 2.2 | -0.5 | 0.5 | ±0.05 | 1.55 | 0.74 | 0.51 | 1.8 | 0.1 | 2° |
M1.6 | 0.35 | 2.4 | -0.3571 | 0.55 | 0 / -0.01 | 1.85 | 0.84 | 0.56 | 2 | |||
M1.7 | 0.35 | 2.5 | -0.5 | 0.5 | ±0.05 | 1.7 | 0.89 | 0.61 | 2.1 | |||
M2 | 0.4 | 3 | +0.05 / -0.2 | 0.6 | ±0.08 | 2 | 1.21 | 0.91 | 2.5 | |||
M2.3 | 3.5 | +0.2 / -0.25 | 0.7 | 2.2 | 1.41 | 1.06 | 2.9 | 0.15 | ||||
M2.5 | 0.45 | 3.8 | +0.2 / -0.25 | 0.9 | 0 / -0.14 | 3.1 | ||||||
M2.6 | 4 | +0.2 / -0.05 | 0.8 | ±0.08 | 3.2 | |||||||
2종 | M1.4 | 0.3 | 2.5 | +0.05 / -0.1 | 0.5 | ±0.05 | 1.55 | 0.74 | 0.51 | 1.8 | 0.1 | 2° |
M1.7 | 0.35 | 3 | +0.05 / -0.1 | 0.55 | 1.7 | 0.89 | 0.61 | 2.1 | ||||
M2 | 0.4 | 3.5 | +0.05 / -0.2 | 0.6 | ±0.08 | 2 | 1.21 | 0.91 | 2.6 | |||
3종 | M1.4 | 0.3 | 2.5 | +0.05 / -0.1 | 0.8 | ±0.05 | 1.65 | 0.84 | 0.56 | 1.8 | 0.1 | 2° |
M1.5 | 0.35 | 2.8 | +0.14 / -0.1 | 0.85 | 0 / -0.1 | 1.8 | 1 | 0.71 | 2 | |||
M1.7 | 3 | +0.1 / -0.1 | 0.9 | ±0.05 | 1.9 | 1.1 | 0.81 | 2.1 | ||||
M2 | 0.4 | 3.5 | +0.05 / -0.1 | 1 | ±0.08 | 2.1 | 1.31 | 1.01 | 2.6 | |||
M2.3 | 4 | +0.2 / -0.1 | 1.1 | 2.2 | 1.41 | 1.08 | 2.9 | 0.15 | ||||
M2.5 | 0.45 | 4.3 | +0.25 / -0.25 | 1.3 | 0 / -0.14 | |||||||
M2.6 | 4.5 | +0.2 / -0.2 | 1.2 | ±0.08 | 3.2 | |||||||
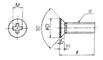
접시 머리 작은 나사
단위 : mms
종류 | 나사의 호칭(d) | 피치(P) | D | H | M | Q | F | G | |||
기준치수 | 허용차 | 기준치수 | 허용차 | 참고 | 최대 | 최소 | 최대 | 최대 | |||
1종 | M1.4 | 0.3 | 2 | +0.05 / -0.1 | 0.48 | 0.15 | 1.55 | 0.74 | 0.51 | 0.1 | 2° |
M1.6 | 0.35 | 2.4 | 0 / -0.14 | 0.55 | 1.65 | 0.84 | 0.56 | ||||
M1.7 | 2.5 | +0.05 / -0.1 | 0.58 | 1.7 | 0.89 | 0.61 | |||||
M2 | 0.4 | 3 | +0.05 / -0.2 | 0.73 | 0.2 | 2 | 1.21 | 0.91 | |||
M2.3 | 3.5 | 0.83 | 2.2 | 1.41 | 1.08 | 0.15 | |||||
M2.5 | 0.45 | 3.8 | 0 / -0.25 | 0.85 | |||||||
M2.6 | 4 | +0.05 / -0.2 | 0.93 | ||||||||
3종 | M1.4 | 0.3 | 2.5 | +0.05 / -0.1 | 0.73 | 0.15 | 1.65 | 0.94 | 0.56 | 0.1 | 2° |
M1.6 | 0.35 | 2.8 | 0 / -0.14 | 0.75 | 1.8 | 1 | 0.71 | ||||
M1.7 | 3 | +0.05 / -0.1 | 0.83 | 1.9 | 1.1 | 0.81 | |||||
M2 | 0.4 | 3.5 | +0.05 / -0.2 | 0.98 | 0.2 | 2.1 | 1.31 | 1.01 | |||
M2.3 | 4 | 1.06 | 2.2 | 1.41 | 1.06 | 0.15 | |||||
M2.5 | 0.45 | 4.3 | 0 / -0.25 | 1.1 | |||||||
M2.6 | 4.5 | +0.05 / -0.2 | 1.18 | ||||||||
ASIA BOLT VINA는 전자제품의 체결 부품을 전문으로 생산 및 수출하고 있습니다.
Global NetworkASIA BOLT VINA는 전자제품의 체결 부품을 전문으로 생산 및 수출하고 있습니다.
FACILITY INFORMATION
머리성형기/나사성형기/자동선반/열처리/검사설비/선별기
설비현황FACILITY INFORMATION
머리성형기/나사성형기/자동선반/열처리/검사설비/선별기
신회를 바탕으로 고객만족 실현
대표번호 +84 204 366 1564
고객지원신회를 바탕으로 고객만족 실현
대표번호 +84 204 366 1564